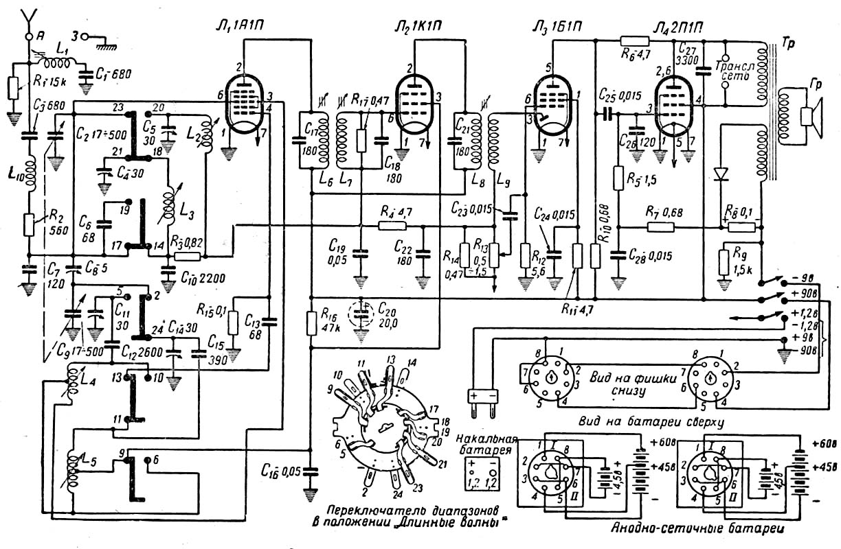
"Искра-53"

Набор ламп:
1А1П, 1К1П, 1Б1П, 2П1П.
Принципиальная
схема здесь.
ТЕХНИЧЕСКИЕ ХАРАКТЕРИСТИКИ.
Диапазоны принимаемых волн...................................ДВ 150-410 КГц (2000-732 м)
СВ 520-1600 КГц (577-187 м)
Промежуточная частота .................................................................................. 465 КГц
Чувствительность, не хуже.............................................................................. 400 мкВ
Избирательность по соседнему каналу, при расстройке на 10 КГц,не менее...20 дБ
Выходная мощность при коэффициенте нелинейных искажений 10% ......... 0,1 Вт
Полоса воспроизводимых частот .............................................................120-3000 Гц
Расход тока ................................................................................................. накал 0б3 А
анод 7-10 мАГабариты ................................................................................................... 214х260х148
Масса..................................................................................................................... 4,3 Кг
![]()