Радиостанция
"РБМ"

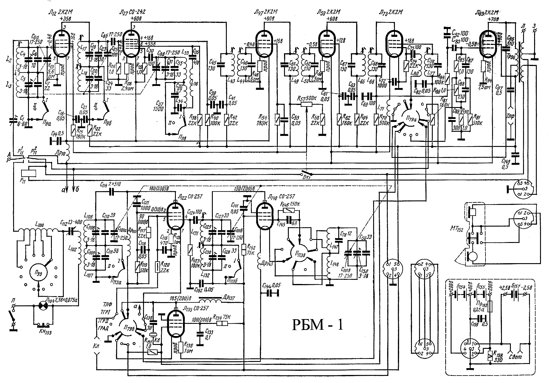
Набор ламп:
СО-257, СО-257, СО-257, СО-242, 2К2М, 2К2М, 2К2М,
2К2М, 2К2М
Принципиальная схема
здесь
Радиостанцию РБМ по праву можно считать ветераном Великой Отечественной войны. В руках умелых радистов она обеспечивала надежную и устойчивую связь в любых, самых сложных условиях боевой обстановки. В послевоенные годы радиостанция РБМ подверглась дальнейшему совершенствованию и стала выпускаться под наименованием РБМ-1.
РБМ - переносные, коротковолновые, телефонно-телеграфные радиостанции, предназначенные для двухсторонней радиосвязи симплексом. Выходная мощность радиостанции - 1 Вт.
Радиостанции расcчитаны для работы на частотах 1,5 - 5 МГц (200-60 м). Конструкция радиостанции позволяет вести связь с пункта, удаленного от радиостанции до 2 км и соединенного с ней двухпроводной кабельной линией, а также использовать ее в качестве телефонного аппарата.
В рабочий комплект радиостанции входит: приемопередатчик, упаковка питания, микротелефонная трубка, головные телефоны, телеграфный ключ, разборная малая штыревая антенна со звездочкой, горизонтальная антенна "диполь" и разборная семиметровая вертикальная мачта с противовесом. Радиостанция обеспечивает двухстороннюю связь с однотипной радиостанцией на расстояния: при работе на малую штыревую антенну телефоном - до 10 км, телеграфом - до 15 км; при работе на горизонтальную антенну "диполь" телефоном - до 17 км, телеграфом - до 35 км; при работе на семиметровую мачту с противовесом телефоном - до 30 км, телеграфом - до 50 км.
В ночное время, при большом уровне помех и в условиях сильно пересеченной и лесисто-болотистой местности дальность действия радиостанции уменьшается в два раза и более.
Источниками питания радиостанции служат аккумуляторная батарея типа 2НКН-22 (2НКН-24) и сухие батареи типа БАС или вибропреобразователь ВПР-6. Комплект батарей обеспечивает 24-36 часов непрерывной работы радиостанции, а при использовании вибропреобразователя - 12 часов.
Общими для передатчика и приемника являются лишь антенна и трансформатор усилителя низкой частоты, выполняющий роль выходного для приемника и входного трансформатора модуляторного каскада. передатчика в телефонном режиме. Переключение антенны с входа приемника на выход передатчика и обратно осуществляется контактами электромагнитного реле, включаемого с помощью тангенты на корпусе микротелефонной трубки.
Приемопередатчик смонтирован на каркасе, состоящем из передней панели и скрепленного с ней шасси, помещенного в металлический футляр. На боковых стенках футляра имеются петли для заплечных ремней. Все органы управления приемопередатчиком находятся на лицевой стороне передней панели.
Размеры приемопередатчика 340х200х270 мм, вес - 13,5 кг.
(с) И.Герасимович
(с) Журнал "Радио", № 9, 1968 год
(c) Фото В.Брусникин, 2001
Право на перепечатку предоставлено редакцией журнала "Радио"
![]()