6N-1
If you ask people of old age in this country which of the pre-war receivers they still remember, the majority will answer it is the "6N-1". Its production was started in 1937 at Voronezh Radio Works. The base of its construction were some models produced then by the American RCA Victor corporation . The first lots of the receiver were supplied with metal tubes made by the US companies RCA, Ken-Rad, Tung-Sol. The 6N-1 (earlier known as 6NG-1 - "6-valve Tabletop Loudspeaking") became really the first mass superheterodyne radio in the USSR . It is documentally proved that such a receiver was in I.V.Stalin's study before the World War II. In the author's collection the set has the serial number 1 0232.
BASIC TECHNICAL DATA.
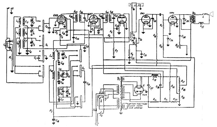
Set of tubes: 6A8, 6K7, 6X6, 6F5, 6F6, 5C4
Tuning range: LW 714-2000 m; MW 200-550 m; SW 15 - 50m
Intermediate frequency - 460 ÊHz
Power consumption 70 W
Power output 2 W
Dimensions 380 õ 480 õ 225 mm
The set is assembled in a varnished wooden case. The scale is marked in kilocycles showing the bands of broadcasting stations (16,19,25,31 and 49 m). The set has 4 control knobs on the front side. The upper is a double tunning handle (the small knob drives a ball reducer with the ratio of 50:1 for fine tuning; the big one is a cogged reducer 10:1 spinning a tuning capacitor). Down from the left is a tone control with a power switch, a band selector and a volume control. There are some sets with a 3 position tone switch combined with a power switch. The set has no tuning indicator. A rectangular scale of the aeroplane type has band indicators in the form of small lighted triangles in the center of the scale.
The framing is made of copper alloy with glass. In some sets the framing of the scale was made of carbolite. The switching of the feeding tensions (110,127,220 V ) was made by replacement of an octal lamp-base switch on the power transformer. The set has screw terminals for the aerial and the ground and also a 3-screw terminal of the adaptor with the bridge. When connecting the adaptor the bridge has to be removed thereby disconnecting the RF-part of the receiver. The chassis of the set is box-shaped and fully closed. The output transformer is set on the basket of the loudspeaker. In the set shown on the photo the glass analogs of the metal tubes 6X6S, 6F5M, 6F6S, 5C4S were installed.
ELECTRIC DIAGRAM.
In the first detector the pentagrid tube 6A8 functions. The IF amplifier is assembled on the penthode 6K7, the AF detector - on the 6X6 tube. The second diode of the last tube is used for tracking the auto volume control signal. The volume regulator has tone compensation.The first stage of AF amp is the 6F5, the output step is based on the 6F6 penthode. The loudspeaker is dynamic, its field coil serves as a choke of the source on the two-anode kenotron 5C4. The ceramic trimmers have screw rotors with an access from the top of the chassis. The constant caps are made of mica and paper ("KB"-type in paraffined cardboard tubes). The resistors are carbonic pressed with black plastic with international color marking . The coils of the aereal filter and IF transformers have magnetite cores fastened with brass screws.

The sensitivity of the set on the SW-band is considerably worse then on the MW and LW ones. It is due mainly to low parameters of the combined oscillator-mixer on the 6A8 tube. At night the quality of receiving SW on the good external aereal is quite satisfactory.
![]()