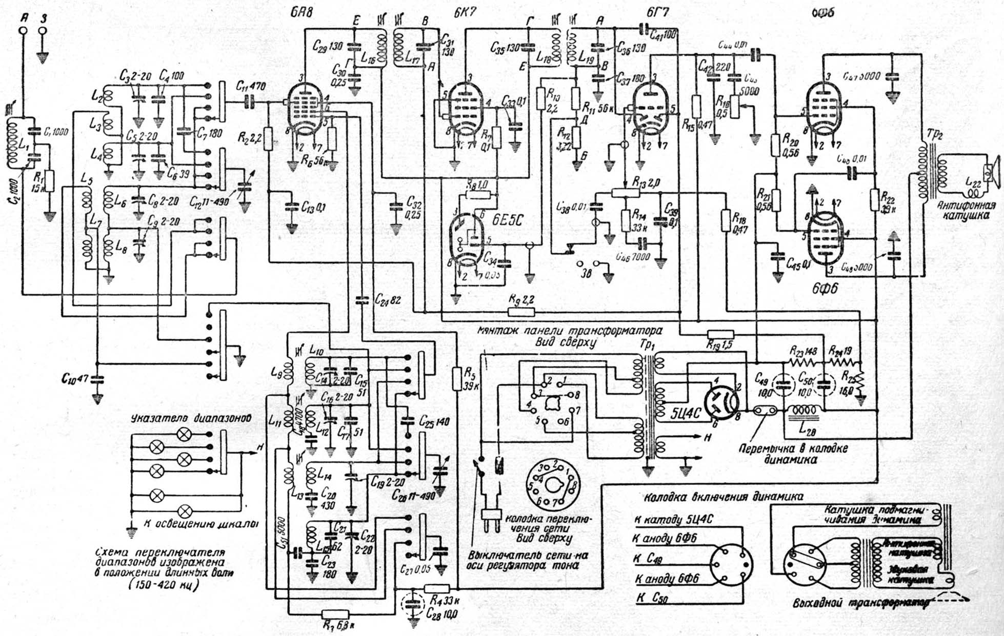
7Н-27
("Восток")

 

Модель разработана в конце Великой Отечественной войны на базе приемника 6Н-1 и выпускалась на Воронежском радиозаводе с 1946 года. Лампы - октальные металлические.

Набор ламп:
6А8, 6К7, 6Г7, 6Ф6, 6Ф6, 6Е5, 5Ц4С.

Принципиальная схема здесь