9Н - 4
Начало выпуска радиоприемника 9Н-4 ("Девятиламповый Настольный"), известного также под названием "Т9", приходится на 1937 год. Он выпускался тем же заводом и в тот же период, что и приемник 6Н-1 (Т6). Эта модель более сложна по конструкции и производилась в гораздо меньших количествах. Прототипом послужили аппараты американской фирмы "RCA Victor". Так как отечественные октальные металлические радиолампы в 1937 году только осваивались в массовом производстве, приемники оснащались импортными лампами американских фирм RCA, Ken-Rad, Tung-Sol и пр. Отличительной особенностью аппарата является применение сменных (переключаемых) шкал настройки.
|
ТЕХНИЧЕСКИЕ ХАРАКТЕРИСТИКИ. Набор ламп: Диапазоны
принимаемых волн: Чувствительность по ЭДС в антенне - 10-30 мкВ Промежуточная частота - 460 КГц Потребляемая мощность 75 Вт Выходная мощность 2 Вт Полоса воспроизводимых частот 80-7000 Гц Размеры приемника 580 х 310 х 420 мм |
На передней панели приемника расположены 5 ручек. Их назначение следующее. Слева направо - переключатель "музыка-речь", совмещенный с выключателем сети, громкость, сдвоенная ручка настройки с замедлителем, селектор диапазонов и регулятор тона.
Приемник собран в коробчатом, полностью закрываемом снизу шасси. Оксидные конденсаторы фильтра выпрямителя - "мокрого типа" (не сохранились и на фото не показаны). Их достоинством являлась возможность самовосстановления после пробоя, недостатком - быстрое высыхание жидкого электролита.
Конструкция контуров, трансформаторов и громкоговорителя аналогична приемнику "6Н-1". Аппарат имеет для каждого диапазона отдельную шкалу, градуированную в килогерцах и мегагерцах, сменяющуюся при переключении диапазонов и видимую через полукруглую щель в латунном обрамлении. Кроме этого, с помощью дополнительной кольцевой шкалы, оцифрованной в условных единицах, возможно запоминание точной настройки на станцию.
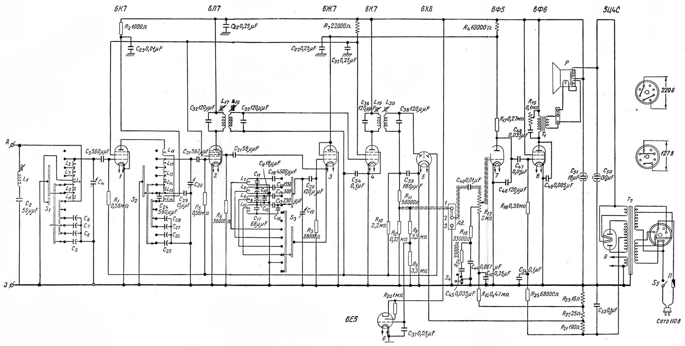
ПРИНЦИПИАЛЬНАЯ СХЕМА
(Получить - 285 КБайт jpeg)Первая лампа 6К7 работает в качестве усилителя радиочастоты. Гетеродин-осциллятор собран на лампе 6Ж7 по трехточечной схеме, смеситель - на пентагриде 6Л7. После усилителя промежуточной частоты (6К7) сигнал детектируется диодом лампы 6Х6. Предварительный усилитель звуковой частоты собран на триоде 6Ф5, оконечный - на пентоде 6Ф6. Регулятор громкости имеет тонкомпенсацию на низких частотах. Громкоговоритель - с подмагничиванием и антифонной катушкой. В качестве индикатора точной и бесшумной настройки традиционно использована лампа 6Е5 (ранней версии, с "американским" цоколем). Постоянные резисторы - ТО с цветовой маркировкой номинала, конденсаторы - слюдяные опрессованные. и бумажные ( тогда еще не имевшие названия типа, впоследствии известные, как "КБ").
![]()