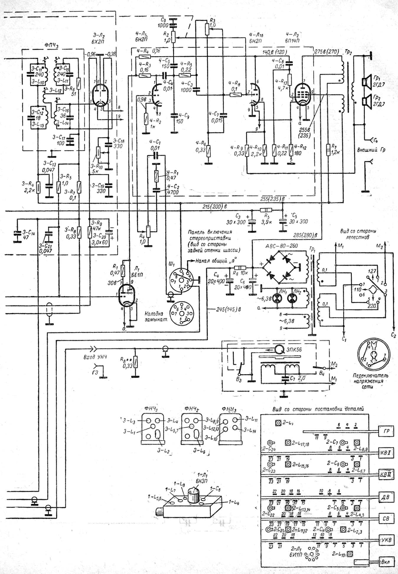
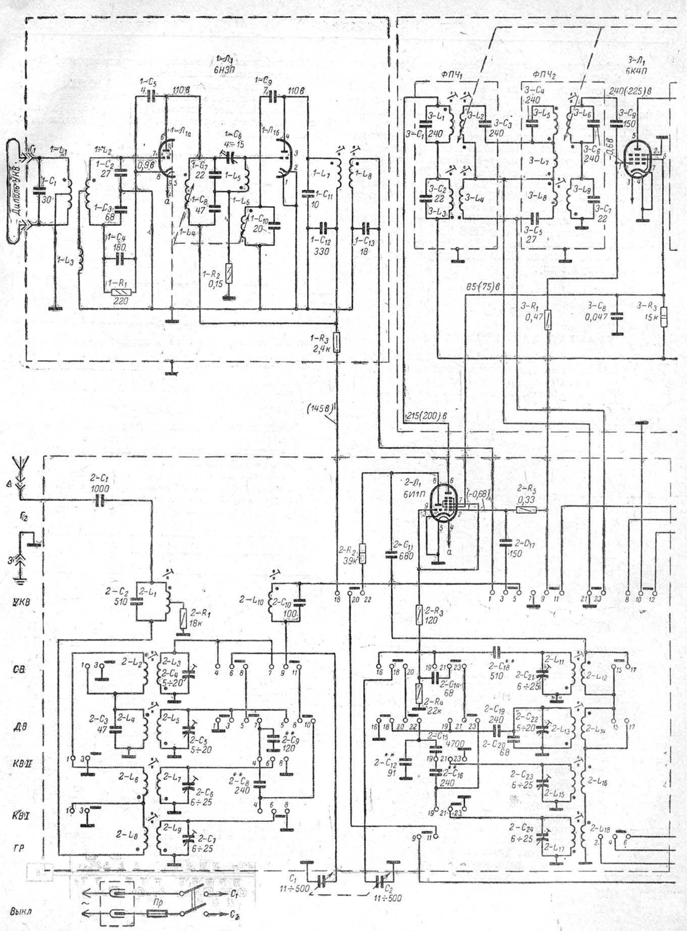
Радиола "Арфа"

 

 

Унифицированная шестиламповая радиола II класса.

Набор ламп:
6Н3П, 6И1П, 6К4П, 6Х2П, 6Н2П, 6П14П,
селеновый мост АВС-80-260

Принципиальная схема здесь:
часть 1, часть 2