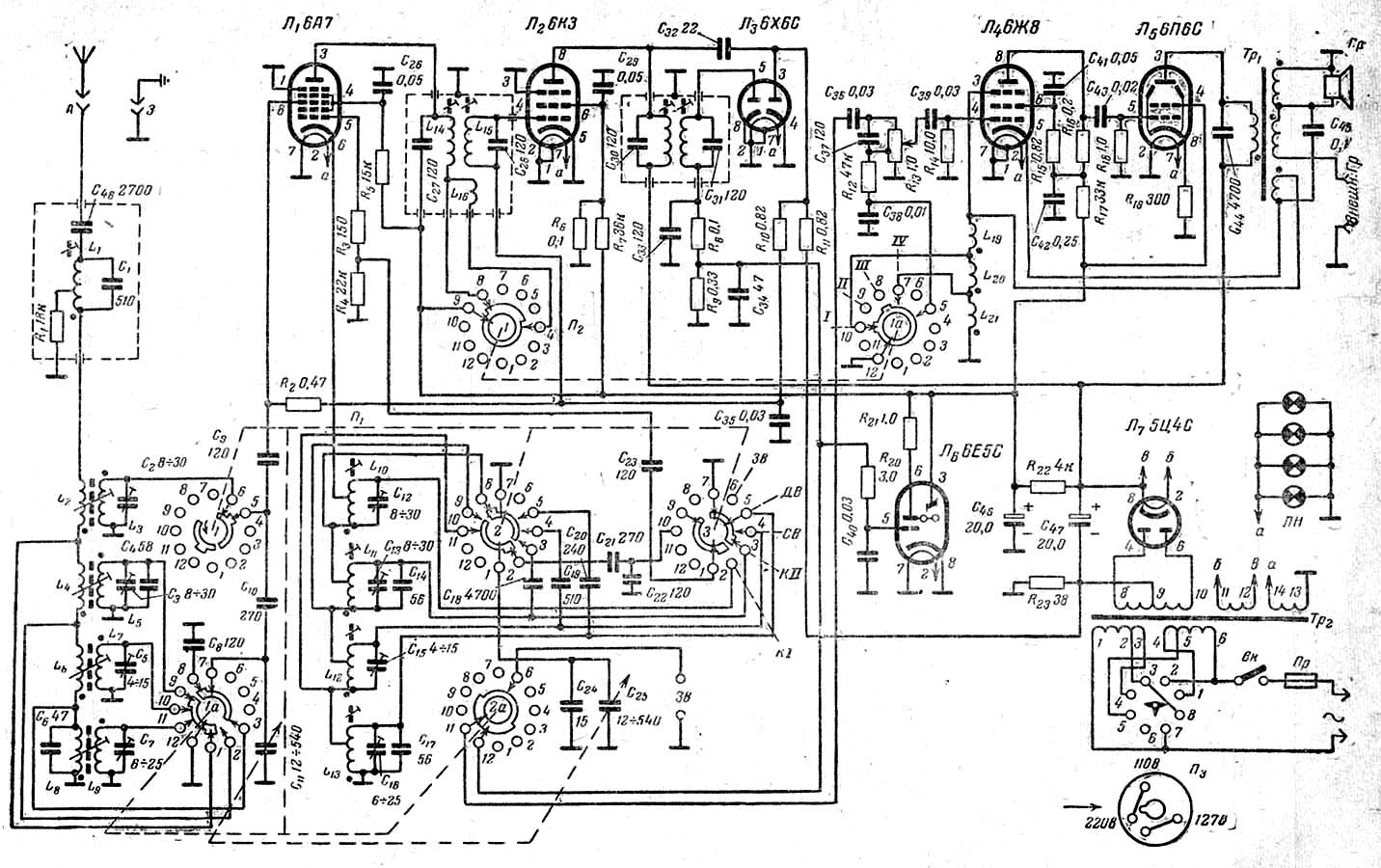
"Балтика М-254"

Набор ламп:
6А7, 6К3, 6Х6С, 6Ж8, 6П6С, 6Е5С, 5Ц4С.

Принципиальная схема здесь.