"Беларусь-53"

Набор ламп:
6К3, 6А7, 6А7, 6К3, 6Б8С, 6К3, 6Г2, 6Н7С, 6Г2, 6П3С, 6П3С, 6Е5С, 5Ц4С, 5Ц4С.

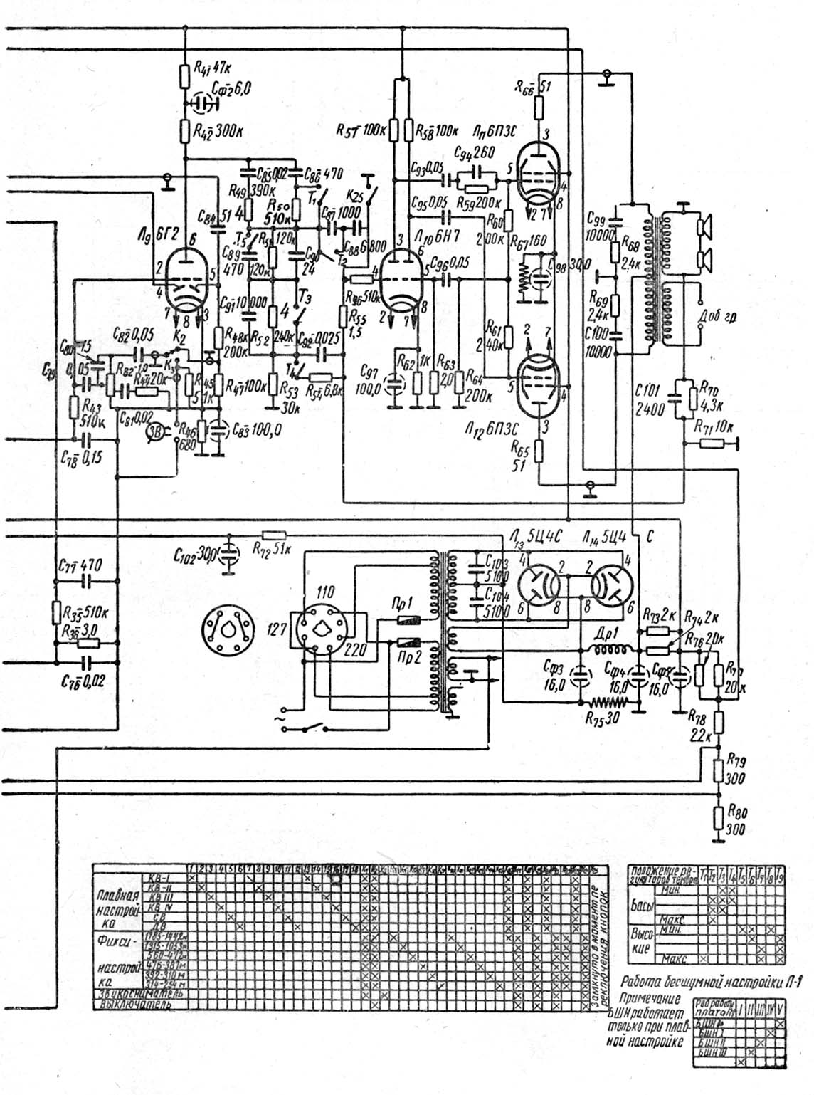
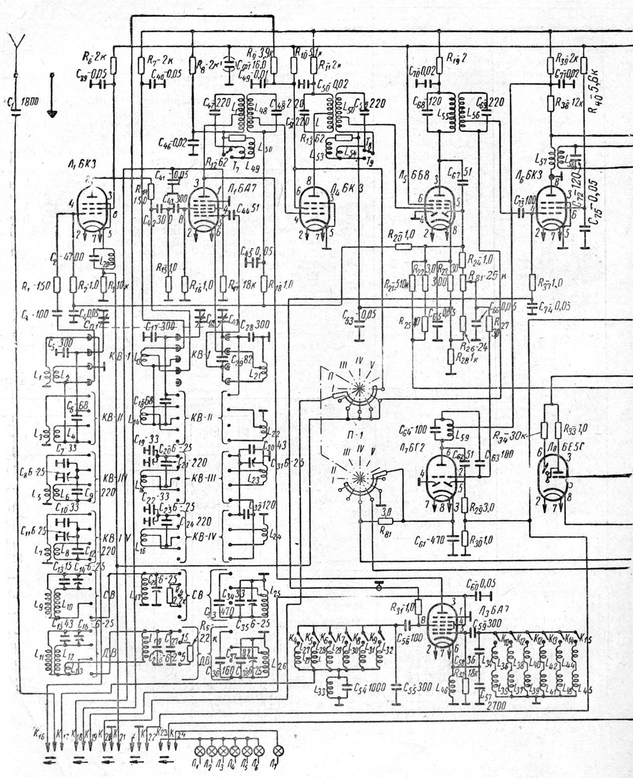
Принципиальная схема здесь: Часть 1, Часть 2

ТЕХНИЧЕСКИЕ ХАРАКТЕРИСТИКИ.

 

Диапазоны принимаемых волн.................................. ДВ 150-410 КГц (2000-732 м)
СВ 520-1600 КГц (577-187 м)
КВI 3,95-6,4 МГц (76-48м)
КВII 6,4-10 МГц (47-30 м)
КВIII - растянутый 31 м
КВIV - растянутый 25 м

Фиксированная настройка............................1-я кнопка 172-208 КГц (1744-1442 м)
2-я кнопка 230-275 КГц (1304-1091 м)
3-я кнопка 528-630 КГц (568-476 м)
4-я кнопка 630-765 КГц (476-392 м)

5-я кнопка 765-965 КГц (392-310 м)
6-я кнопка 965-1170 КГц (310-256 м)

Промежуточная частота .................................................................................. 465 КГц

Чувствительность, не хуже............................................... плавная настройка 50 мкВ
фикс. настройка 200 мкВ

Избирательность по соседнему каналу,при расстройке на 10 КГц,не менее...50 дБ
КВ 26 дБ

Полоса воспроизводимых частот .............................................................. 60-6500 Гц

Выходная мощность при коэффициенте нелинейных искажений 5 %.............. 4 Вт

Потребляемая мощность........... ...........................................................................135 Вт