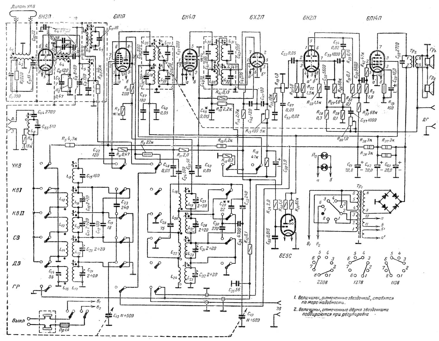
"Янтарь"

 

Набор ламп: 6Н3П, 6И1П, 6К4П, 6Х2П, 6Н2П, 6П14П, 6Е1П,
селеновый мост АВС-80-260.

Принципиальная схема здесь