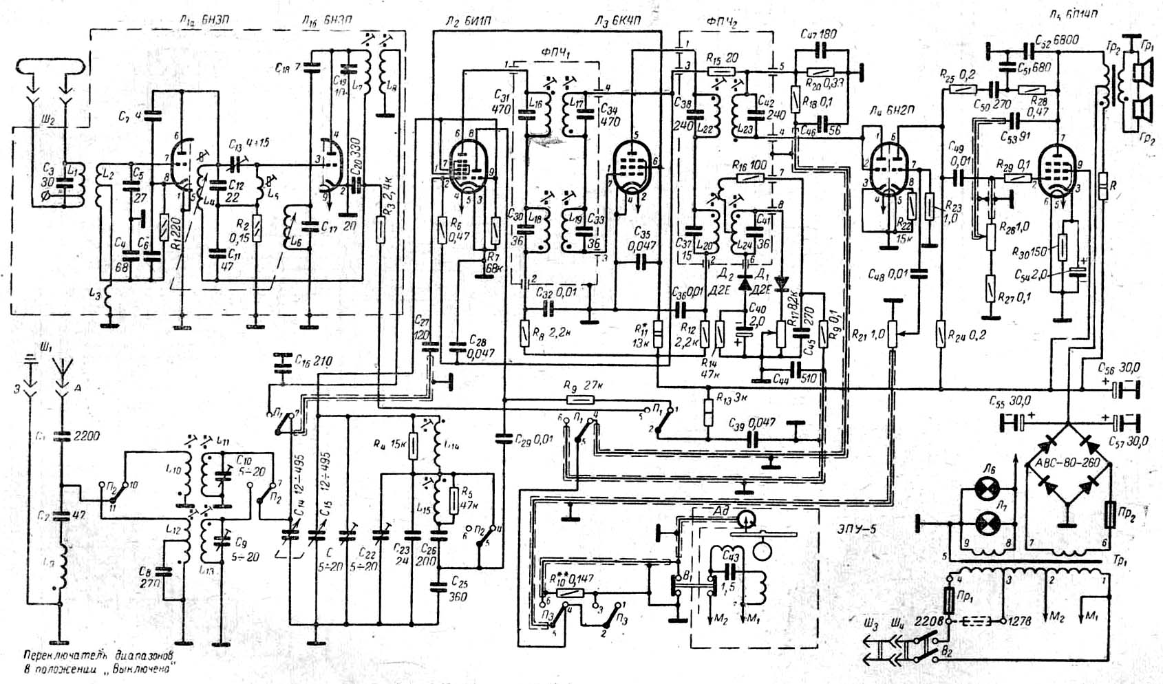
Радиола "Югдон"

 

Набор ламп: 6Н3П, 6И1П, 6К4П, 6Х2П, 6Н2П, 6П14П,
германиевые диоды Д2Е - 2 шт., селеновый мост АВС-80-260.

Принципиальная схема здесь