"Ленинград"

Набор ламп:
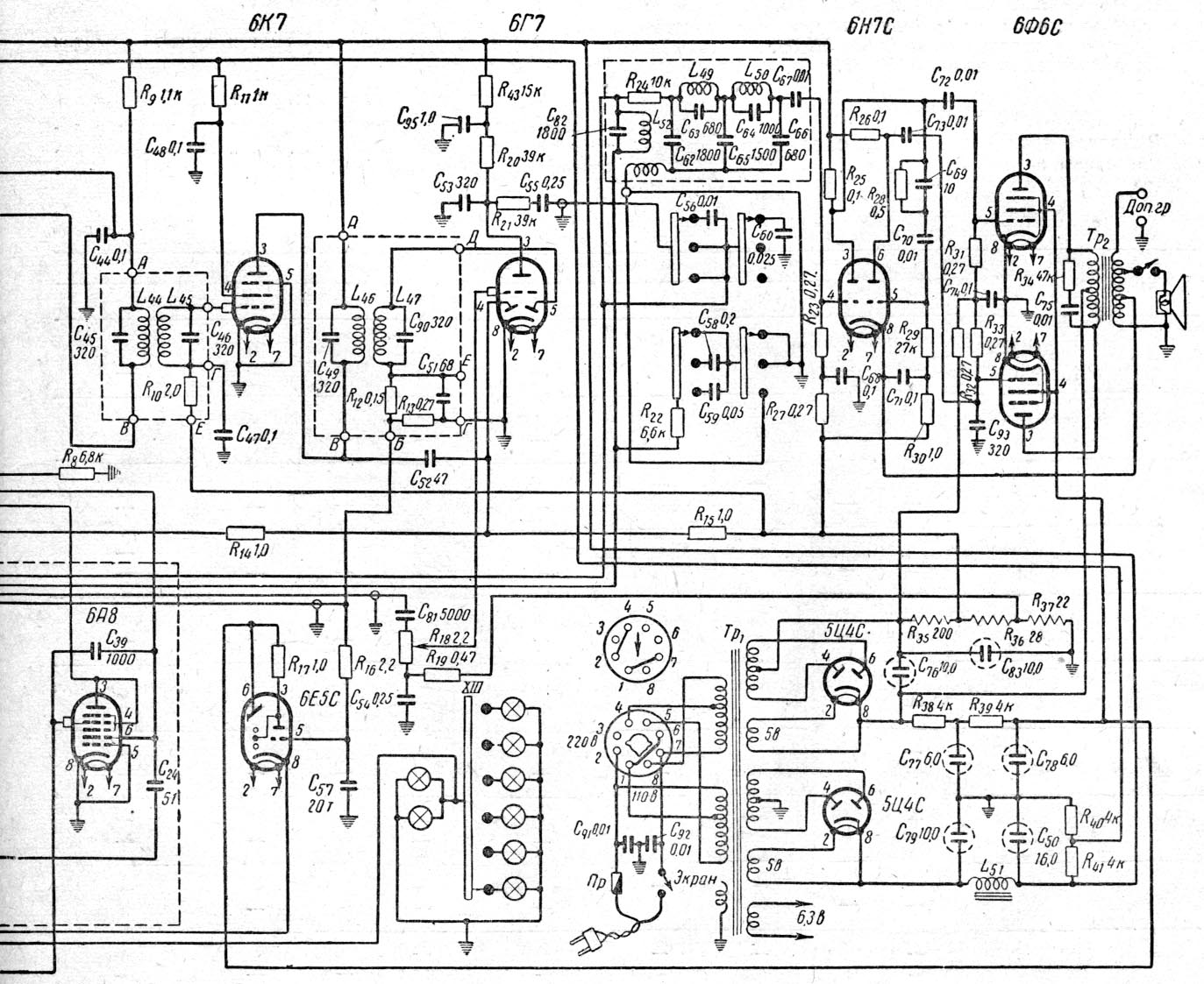
6К7, 6А7, 6А8, 6К7, 6К7, 6Г7, 6Н7С, 6Ф6С, 6Е5С, 5Ц4С, 5Ц4С.

Принципиальная схема здесь:
часть 1, часть 2

ТЕХНИЧЕСКИЕ ХАРАКТЕРИСТИКИ.

Диапазоны принимаемых волн....................................ДВ 150-410 КГц (2000-732 м)
СВ 520-1500 КГц (577-200 м)
КВI 4,2-7,5 МГц (71,3-40 м)
КВII 9,49-9,73 МГц (31,6-30,8 м)
КВIII 11,72-12,0 МГц (25,5-25,0 м)
КВIV 15,1-15,4 МГц (19,9-19,5 м)

Фиксированная настройка ............................1-я кнопка 150-225 КГц (2000-1333 м)
2-я кнопка 225-340 КГц (1333-882 м)
3-я кнопка 580-870 КГц (517-345 м)
4-я кнопка 900-1350 КГц (333-222 м)

Промежуточная частота ................................................................................... 460 КГц

Чувствительность, не хуже.......................................... ДВ и СВ 180 мкВ, КВ 80 мкВ,
фикс. настройка 200 мкВ.

Избирательность по соседнему каналу, при расстройке на 10 КГц, не менее...30дБ

Избирательность по зеркальному каналу на ДВ и СВ, не менее .......................50 дБ

Выходная мощность при коэффициенте нелинейных искажений 5 %................4 Вт

Потребляемая мощность........ ..............................................................................120 Вт