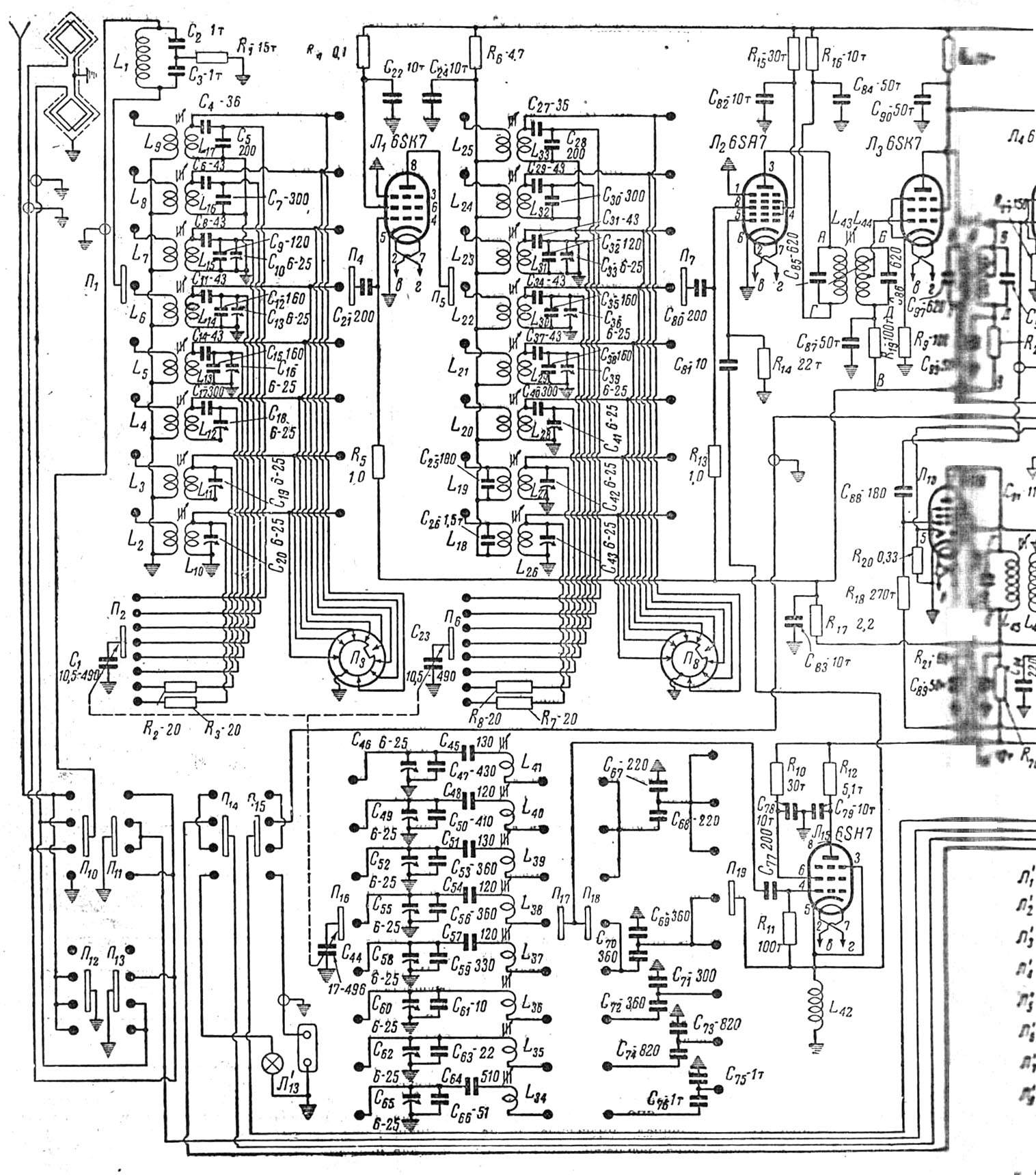
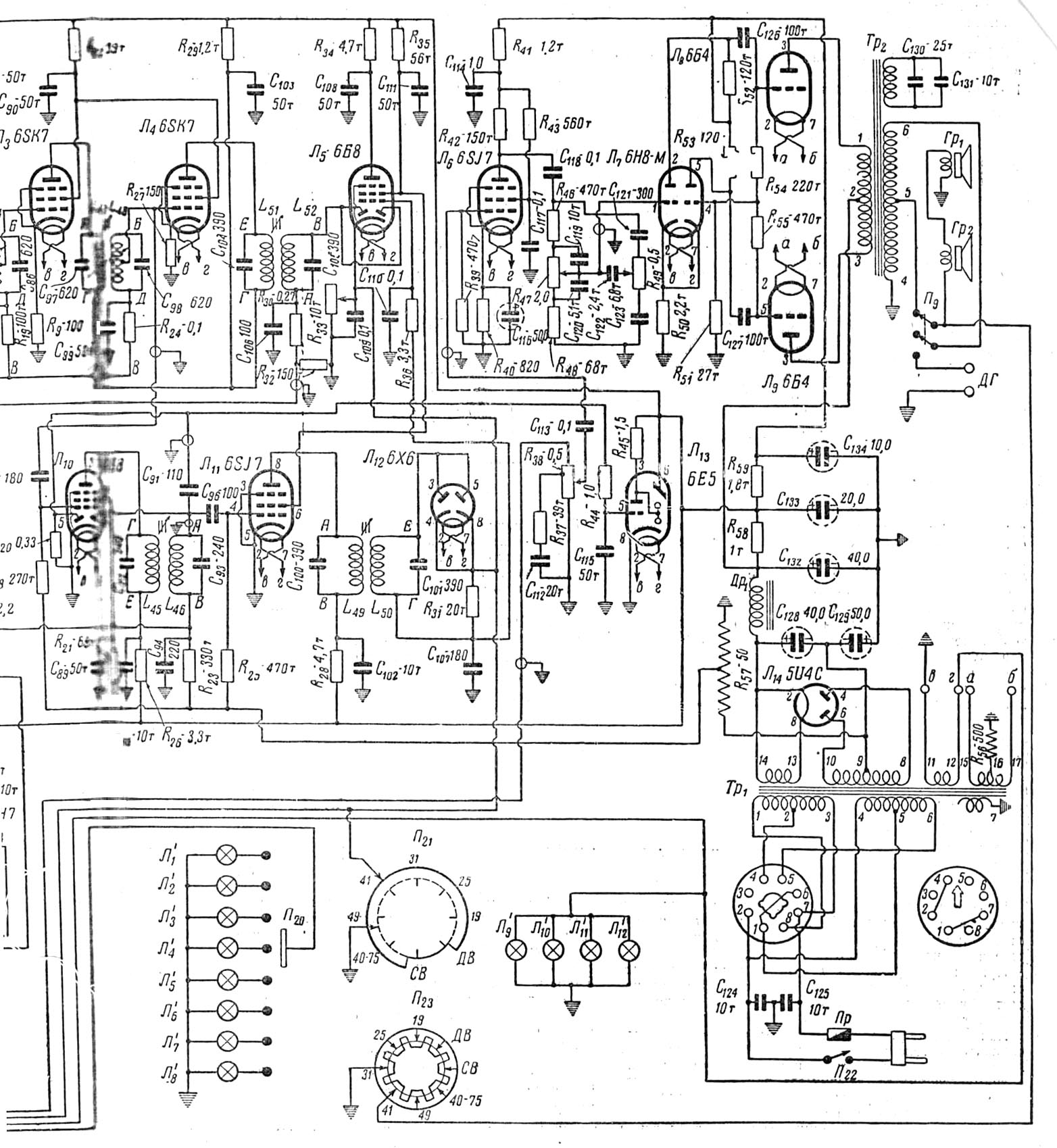
Ленинград-50
Принципиальная схема здесь:
часть 1
,
часть 2