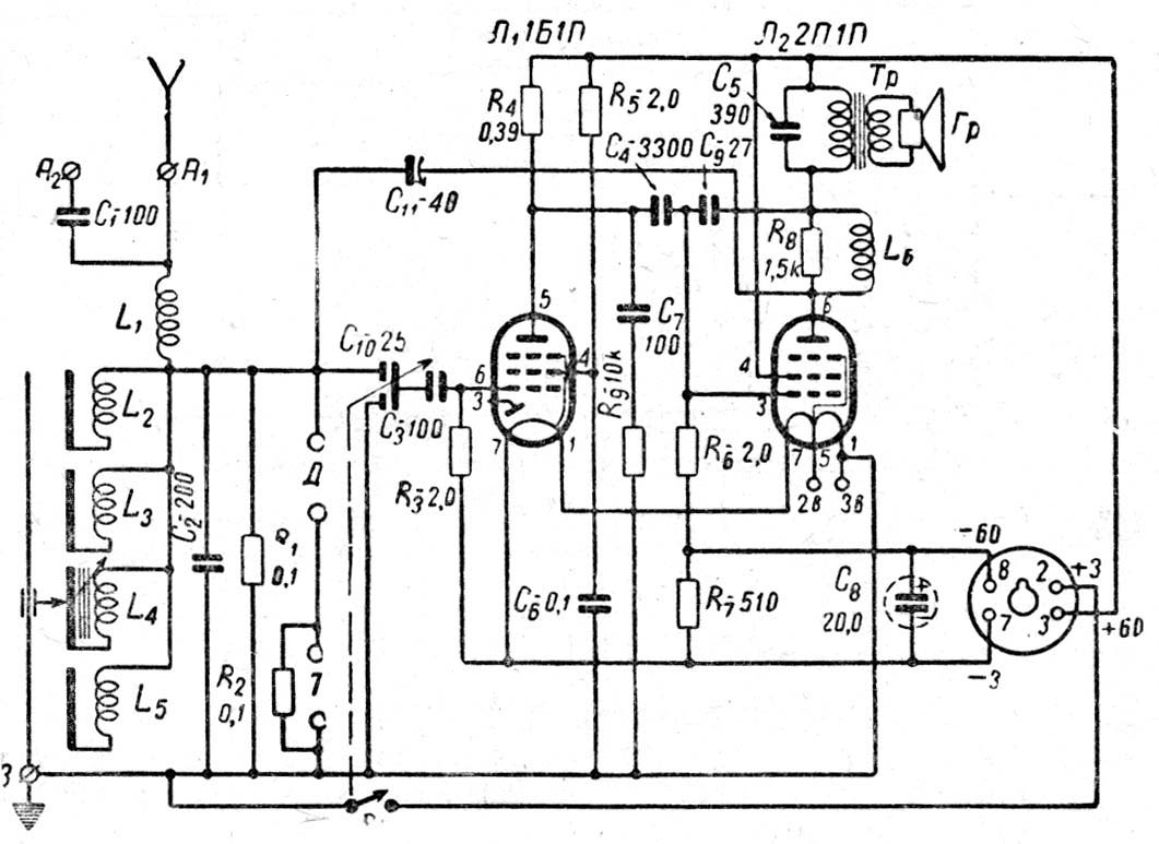
"Луч"

 

Набор ламп: 1Б1П, 2П1П.

Принципиальная схема здесь