Здесь мы
будем выкладывать рисунки печатных плат и схемотехнику на них. <<< назад
На тот случай, если кто-то захочет их
собрать самостоятельно.
Микроконтроллер на ATMega8,
ATMega168, ATMega328.
они имеют одинаковую разводку и отличаются практически только объёмами памяти,
ну и чуть-чуть ещё...

Модуль связи с компьютером по
RS-232.
-в разработке...
Модуль кнопок.

Позволяет объединять несколько модулей, в матричную клавиатуру.
Модуль светодиодов.
Возможно, светодиоды будут отдельными, и
подключаться с помощью индивидуальных разъемов.
-----------------------------
Имея эти четыре модуля, уже можно начать простые эксперименты.
В дальнейшем мы планируем увеличивать количество модулей
исходя из наших и ваших потребностей.
И если вы заинтересовались нашей работой, то ждём от вас писем, с
предложениями и критикой в наш адрес >>>
Модуль питания.

Модули ввода-вывода, имеют на борту клемники, для подключения внешних цепей.
Модуль силового транзистора.

- в
разработке...

Ключ на полевом транзисторе с опторазвязкой.
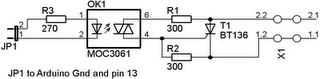
Модуль силового симистора
- в разработке...
Модуль интерфейса RS-485
-в разработке...
- в
разработке...
В дальнейшем проект предполагает
возможность использования различных микроконтроллеров и микромодулей (например, BECK IPC@CHIP)
как пример это плата для ATMEGA8515
