Блоки питания и преобразователи

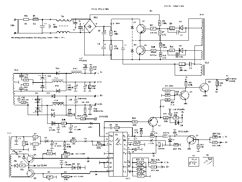
БП РС с одной микросхемой

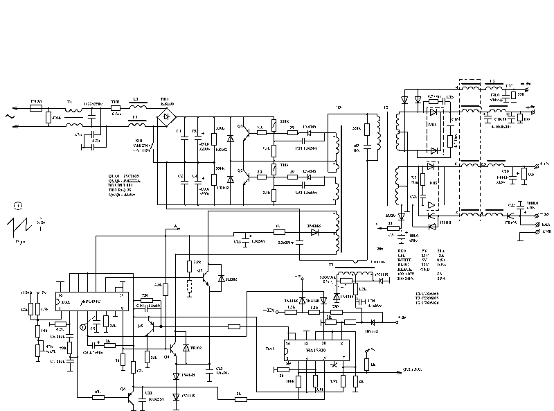
БП РС с двумя микросхемами

3.3 вольта на 5-ти вольтовую "мамку".