Приёмники

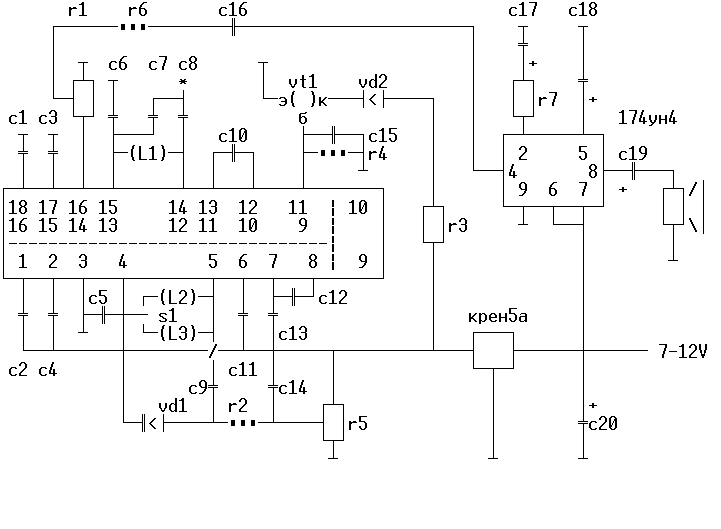
... с разной цоколевкой 174ХА34

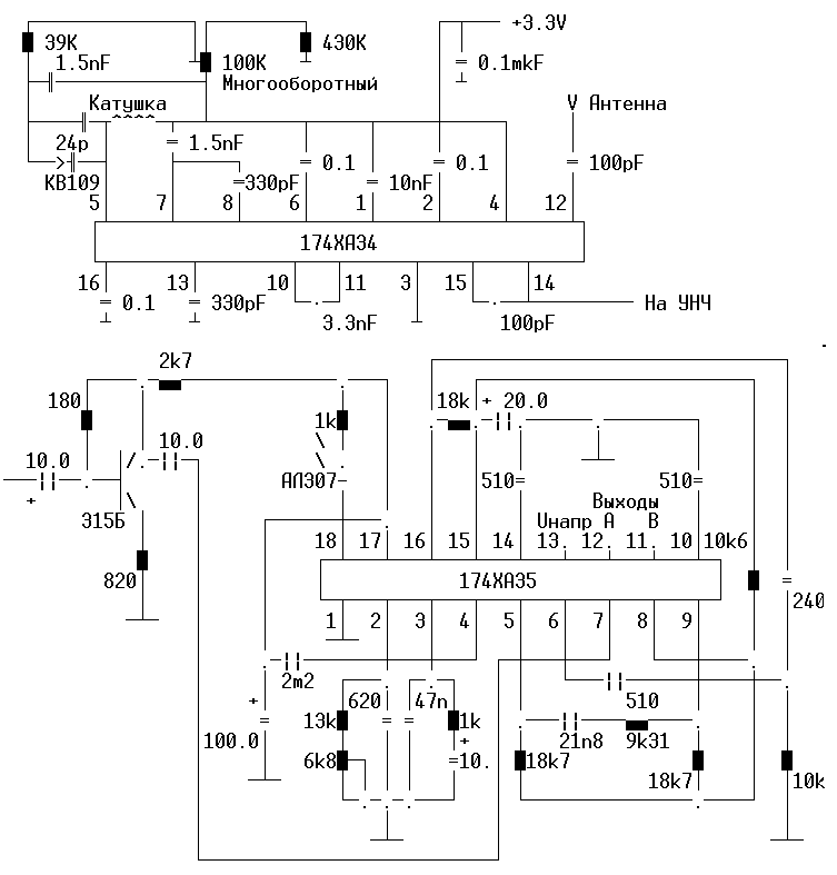
... на 174ХА34 со стереодекодером на 174ХА35

... на174ХА34 (вариант)

... на174ХА34 со стереодекодером стандарта CCRT