Схемы включения ламп дневного света

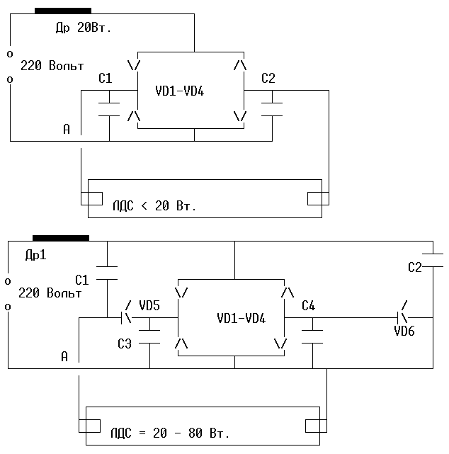
220v 50Hz - ЛДС.

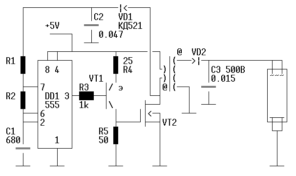
ЛДС от 5-ти вольт.

Питание ЛДС разной мощности.