Схемы
(В скачиваемых файлах дополнительная информация к схемам )
Блоки питания и преобразователи
Схемы включения ламп дневного света
![]()
![]()
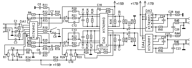
Схемa на 174УН11
![]()
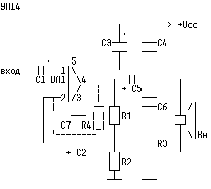
Схема на 174УН14
![]()
Схема на 174УН23
![]()
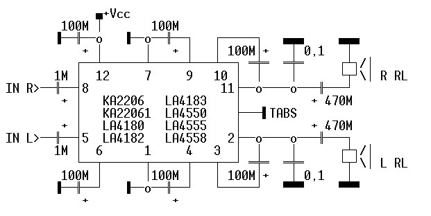
Схема на KA2206,22061,LA4180,4182,4183,4550,4555,4558
![]()
Схема на KIA6283k,KA22062,TA7233P,7283AP
![]()
Схема на KIA6210a,6205,TA8210,8205
![]()
Схема на LM12 150Bт
![]()
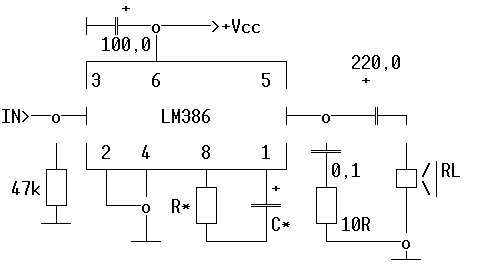
Схема на LM386
![]()
Схема на mPC1335V
![]()
Схема на TDA1157Q,1553Q
![]()
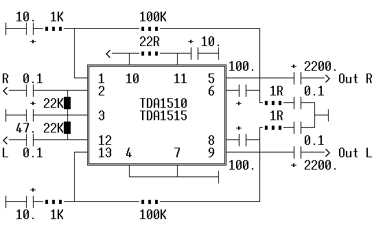
Схема на TDA1510,1515
![]()
Схема на TDA1554Q
![]()
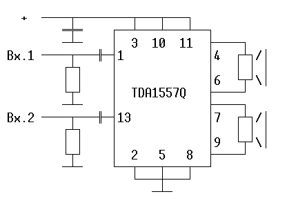
Схема на TDA1557Q
![]()
Схема на TDA1558
![]()
Схема на TDA2003
![]()
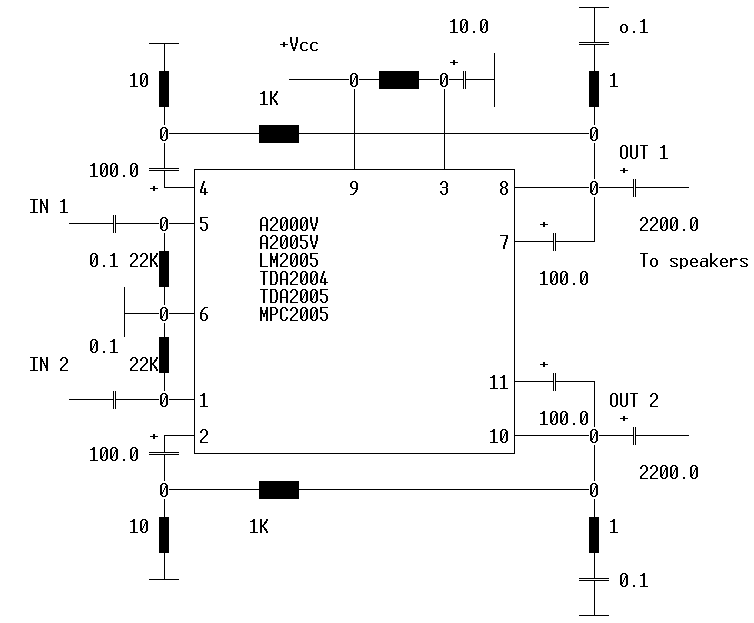
Схема на TDA2004,2005,A2000V,2005V,LM2005,MPC2005
![]()
Схема на TDA2030
![]()
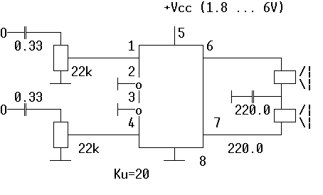
Схема на TDA7050
![]()
Схема на TEA2025 (KIA6269)
![]()
Схема темброблока на TDA1524
Улучшение звучания низких частот